服务热线: +86 0512-66592434
网站首页 产品中心
< >
  • 低压智能复合开关
低压智能复合开关

· SDF-FK复合开关是新一代低压无功补偿装置中电容器的投切开关,是一种智能化的环保节能型执行部件,是我司针对可控硅和交流接触器在低压无功补偿应用方面存在的先天不足精心研制开发的新科技成果。
· SDF-FK系列低压复合开关基本工作原理是:将可控硅与磁保持继电器并联,由内部的单片机控制,在投入和切除的瞬间由可控硅承担过零投切,即电压过零时刻投入,电流过零时刻切除,可控硅导通时间很短不产生发热,之后转为磁保持继电器接通运行。
· 它具有可控硅TSC开关过零投切无涌流的优点,又具有交流接触器运行无功耗的长处,也就避免来了可控硅运行发热和接触器投切火花的缺陷。特别是由于磁保持继电器在吸合与断开的瞬间都没有涌流和火花,因此它的电器寿命远高于设计的寿命,而它的机械寿命高达百万次。

全国服务热线:0512-66592434

在线咨询

20.jpg


21.jpg



技术参数


额定电压

共补:AC 380V±20%50Hz

分补:AC 220±20%50Hz

额定容量

共补:≤30kvar

分补:≤30kvar

控制电压

直流电压5~12V/10mA(由控制器提供控制电压)

电源电压谐波畸变率

≤5%

动作相应时间

≤1S即控制器发出投入或切除信号后,复合开关在1秒内完成

重复投切时间

52S复合开关切除后,只需过2秒就可以重新投电容器,而不必等待几分钟的电容放电时间

环境温度

-25℃~+55℃,湿度≤90%,海拔2000米以下(超出范围请致电咨询)


注:

1.可依客户要求定制

2.外形和大小如有偏差,请以实际尺寸为准



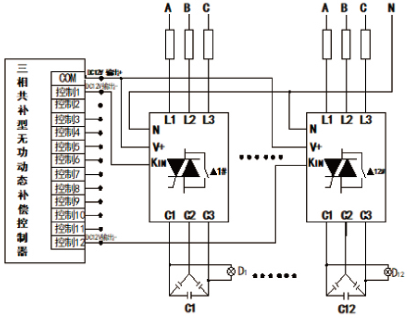
共补接线图


22.jpg



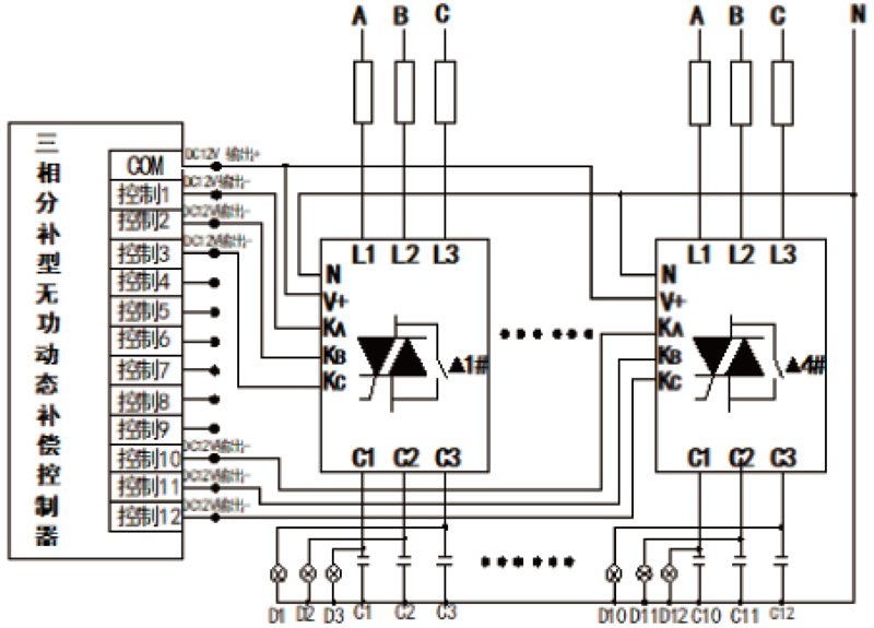
分补接线图


23.jpg